カタログOASYS カタログ,仕様書印刷 取扱説明書
|
||||||||||||||||||||
|---|---|---|---|---|---|---|---|---|---|---|---|---|---|---|---|---|---|---|---|---|
熱風ヒーター用コントローラ「FCM」の解説ビデオ |
FCM−Nは電磁弁を毎秒10回の高速サイクル制御す る事で微妙なエアー流量制御をしています。 超高性能 電磁弁なので、この様な高速動作にも余裕で追従でき、 寿命も50億回あるので、15年間以上の連続運転に耐 える計算になります。摺動部など磨耗する部分がないの で塵の発生も、ほぼゼロです。 この方式のすばらしさは、高度なエアーコントロール性能 をもちながら低コストであることです。 また簡単な内部変 更でパルスブローにも対応できます。 熱風のパルスブロ ーにどの様な効果や用途があるのかは今後の研究課題 です。 パルスブローは通常のブローに比べ、強い風圧効果が得 られ、ものを吹き飛ばしたり変形させたりする力が強いの ではないかといった期待があります。 |
![]() |
|
![]() |


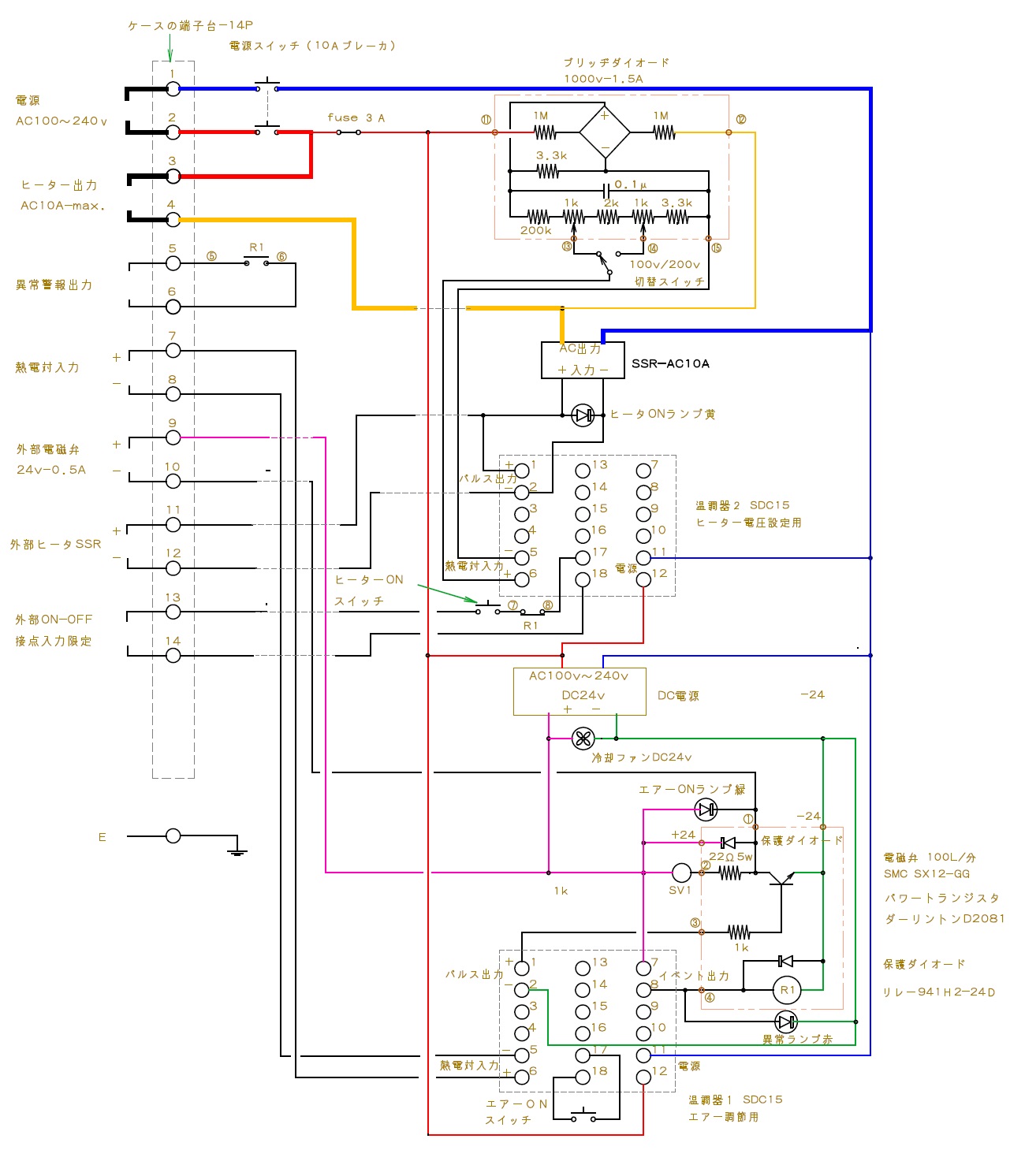
懸念点 このコントローラの性能,信頼性はほとんどSMC社の電磁弁SX10シリーズに依存します。50億回以上という公称寿命が正しければFCM-Nの寿命も問題ないはずですが、これの確認は弊社ではできません。しかしSMC社は国内空圧機器では最も信頼のできるメーカーであり、この電磁弁の構造を見ても摺動部分やゴム部品,バネ部品等が全くなく半永久的に使えそうなすばらしい構造ではあります。 →SMC社のSX-10シリーズ 長期試験中に電磁弁の動作不良が発生しました。数百時間で初動が悪くなり動き始めると続けて動くが、最初が動きにくくなる。これは再現されました。電磁弁を分解調査してみると内部にオイルが入っていました。これはエアーのオイル除去が不十分でオイルが蓄積したのものでした。オイルを拭き取ると問題なく動きました。このコントローラは特にエアーのオイル混入が無いように注意しなくてはなりません。オイルミストが含まれるエアーの場合は、0.01μmを99.9%以上除去できるオイルミストフィルタが必要です。推奨機種SMC-AF-120 |
||||||||||||||||||||||||||||||||||||||||||||||||
|
||||||||||||||||||||||||||||||||||||||||||||||||
| 仕 様 , 注 意 事 項 ( 重 要 ) | |
| 電源 | フリー電圧 AC100v〜240v ただし動作精度を上げる為に100v/200vの切り換えスイッチを設けています |
| 使用ヒーター | 必ずSAH,SAHDタイプの熱風ヒータをご使用ください。パルスブローで使われる場合は風圧に強いSAHDタイプを選択してください。また必ずセンサー付仕様品とし、安定で安全な動作のためにはセンサータイプを/+SC仕様(センサー位置がセラミック芯内)にしてください。 コントローラはフリー電圧ですが、使用する熱風ヒーターの定格電圧はご使用になる電源電圧に合わせて下さい→200v電源で使用する場合は熱風ヒータも200v定格のものを選択。(特にご指定が無い限り国内専用の設定100v/200vになっています) 使用可能なヒーターの容量については弊社熱風ヒーターSAH,SAHDシリーズの定格電流が10Aまでの品種です。ただしエアーは70L/min.程度が限界になるため、ヒーター電力に対する最低設定温度は下記となります。 ヒーター電力 P[w] 流量 F[L/min.] 熱風温度 T[℃] 最低設定温度 T=50×P÷70≒0.7P つまりP=650wのヒーターの場合には最低設定温度Tは約460℃となります。これ以上の温度でならヒーター出力100%でFCM-Nが使えます。尚、ヒーター出力設定を下げれば、どの様な大型ヒータでも低温度まで使用は可能です。ヒーターの能力(電力)をフルには使えないだけの話です。 |
| 供給エアー | 供給圧力範囲0.3〜0.6MPa。ただし通常は0.4MPa程度でご使用ください。大流量で使われる場合のみ必要に応じて圧力を上げてください。ただし0.6MPaを超えると電磁弁が故障します。水,油,塵などを含まない綺麗なエアー(0.01μmフィルタ使用)であること。エアーの接続は外径Φ6の樹脂チューブをご使用ください。 |
| 騒音 | 簡易測定ですが約50dB/m以下。非常に静かと言えますが音波形はパルス状なので、少しうるさい機械式時計の様です。普通の工場内だと音の存在感は全く無いはずです |
| 立上り時間 | 約2分間(ヒータ品種やPID値により差があります) |
| サイズ | W260×h66×D190 (突起部を除く寸法) ケースにはゴム足が付いておりますので実質高さは約71mmになります。このコントローラの冷却ファンは吸引方向となっており、排気口はケース下側となっています。吸排気口を塞がない様にご注意ください |
| ケース | SUS304-t1.2。非常に頑丈で、長期でも錆などが発生せず、塗装ケースの様に誤って熱風を吹きかけた場合などでも容易には変色しません。また傷が付いた場合なども研磨で回復します。アース端子は裏面のケースに直接設けております。感電防止のために必ず適切なアース工事をしてからご使用ください |
| 異常表示 | インジケータ(表示ランプ)の右側(赤)が点灯した場合はエアー不足と判断してヒーター出力を停止しています。リセットするにはいったん電源スイッチをOFFにしてください。 熱風温度設定器が「AL01」を表示した場合はセンサー(熱電対)の断線です。 運転開始後5分間以上たってもヒータ出力設定器の上側の数値(測定値)が設定値(下側の数値)と著しく違う数値を示している場合はヒーターの断線です。 |
| 装置寿命,保証 | このコントローラで寿命が問題になりそうな部品は下記です。 空冷ファン 50000時間 メーカー情報 電磁弁 130000時間(50億回) メーカー情報 寿命はいずれも各パーツメーカーの期待値であり、保証値ではありません。交換修理は可能です(弊社まで返送有償交換) このコントローラの弊社保証期間は納入日から6ヶ月以内です。ただし設計,製造上の不備による不具合品に限定させていただきます。保証内容は不具合品の修理又は交換(運送便利用)にて対応させていただきます。それ以外の責(ライン保証等)はご容赦ください |
| 注意事項のまとめ (重要) |
安全のために必ずコントローラの金属ケースをアースしてください(裏面のアース端子使用) 電源はフリー電圧(AC100v〜240v)ですが、使用するヒーターの定格電圧は電源電圧と同じにしてください。さらに電源電圧に合わせて裏面のセレクトスイッチで電源電圧を選択してください。 熱風ヒーターの取り扱いは熱風ヒータの取説に従い適切にご使用ください。特に非常な高温になる物なので、火傷や火事には十分ご注意ください。 冷却ファンの吸入口や下面の排気口(金網窓)は塞がないように厳重にご注意ください 供給エアーは基本的に0.4MPaとし、どうしてもエアー量が確保できない場合のみ0.6MPaまで上げる事ができます。ただし短時間でも0.6MPaを超えると故障する可能性がありますので厳重に注意してください 供給エアー経路には塵や油,水などが混入したエアーが来ない様に必ずフィルター等を入れてください その他、一般的な電気,エアー,精密機器の取扱い注意事項に準拠して取り扱って下さい |
技術情報 ヒータ出力設定器の特性
|
|||||||||||||||||||||



|
|
||||||||||||||||||||||||||||||||||||||||||||||||||||||||||||||||||||||||||||||||||||||||||||||||||||||||||||||||||||||||||||||||||||||||||||||||||||||||||||||||||||||||||||||||||||||||||||||||||||||||||||||||||||||||||||||||||||||||||||||||||||||||||||||||||||||||||||||||||||||||||||||||||||||||||||||||||||||||||||||||||||||||||||||||||||||||||||||||||||||||||||||||||||||||||||||||||||||||||||||||||||||||||||||||||||||||||||||||||||||||||||||||||||||||||||||||||||||||||||||||||||||||||||||||||||||||||||||||||||||||||